日本軽金属 蒲原電材センター 品質保証グループは、紙やメールに依存していた業務プロセスをデジタル化し、進捗をリアルタイムに把握できる環境を整備。現在までに、苦情対応や図面登録など約20件のアプリを構築し、現場主導の業務改善を加速させています。 導入の経緯から具体的な効果まで、ご担当者にお話をうかがいました。
---
■ 導入の背景:進捗の「ブラックボックス化」と転記作業の負担
品質保証グループでは、品質保証体制の管理、検査成績表の発行、顧客からの苦情・クレーム対応などの業務を行っています。各業務において報告された問題は複数部門と連携しながら改善を推進しています。
従来は紙やメールでのやり取りが中心だったため、「どの業務が、どこで、なぜ止まっているか」が外部から見えにくく、対応の遅延を招く要因となっていました。また、二重の入力や転記といった非効率な作業も現場の負担となっていました。
---
■ 選定理由:業務を「管理」するのではなく「流れとして回す」
DXによる業務改革を進めるためのツールを検討した結果、Questetraを採用しました。
決め手となったのは、単なる記録管理ではなく、業務を「流れ(プロセス)」として捉え、確実に次工程へ繋げる設計思想です。
ノーコードで現場がアプリを自作できる柔軟性に加え、ヒートマップや検索機能で「滞留ポイント」を即座に把握できる点が社内で高く評価されました。
---
■ 導入効果:現場が「自分たちの手で」改善を回す仕組みへ
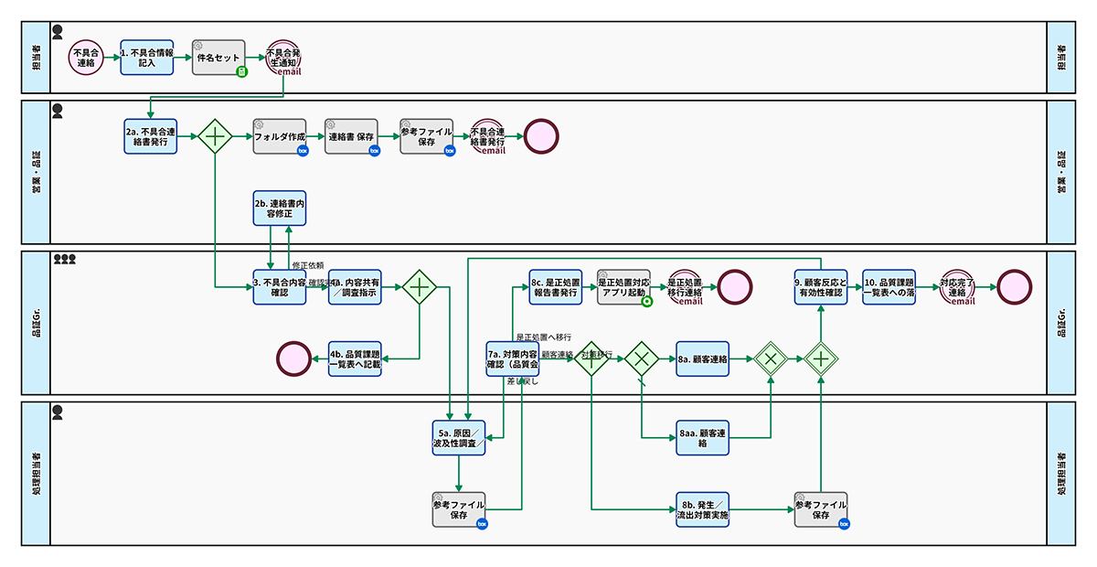
「出退勤報告」からスモールスタートし、現在は「不具合連絡」「校正管理」「図面登録」など約20件のアプリを作成。うち約10件が実運用されています。
進捗のタイムリーな把握:
業務状況が可視化され、適切なフォローが可能になったことでボトルネックが明確化。
業務効率の大幅向上:
デジタル化により、煩雑な転記作業や承認手続きの手間を削減。
現場改善の議論が活発化:
Webフォーム機能を活用し、アカウントを持たないメンバーからも情報を収集。現場主導で「どう改善すべきか」の議論が生まれています。
---
■ 今後の展望:AI工程の組み込みによる更なる高度化
今後は、若手社員を中心にアプリ開発の輪を広げ、現場主導の改善をさらに定着させていく方針です。また、将来的な展望として、蓄積されたデータのAIエージェント機能による自動分析や、業務の自動化など、さらなる品質向上に向けた仕組みづくりも検討しています。
導入事例ページ: (リンク »)
---
■ Questetra BPM Suiteとは
Questetra BPM Suite は、クラウド型の業務プロセス管理システム (SaaS BPMS) です。
ワークフローシステム(ワークフローアプリ)の開発および運用が、Webブラウザだけで完結します。プログラミングの知識(Codingスキル)は必要ありません。業務部門が主体となって、継続的に業務プロセスを改善できます。
稟議申請や見積提出、問い合わせ対応などの定型業務プロセスを、ワークフローシステムとしてノーコードで作成できます。さらに、生成AIを組み込むことで、「ドラフト文書の自動生成」や「回答案の草案作成」といった知的作業の自動化も実現できます。
---
◾️会社概要
日本軽金属株式会社
所在地:東京都港区
代表:代表取締役社長 岡本 一郎
事業内容:アルミナ、水酸化アルミニウム、各種化学品、アルミ地金・合金の製造・販売、アルミ板製品、輸送関連製品、電子材料等の製造・販売
設立:1939年
URL: (リンク »)
株式会社クエステトラ
所在地:京都市中京区
代表:代表執行役CEO 今村 元一
事業内容:クラウド型業務プロセス管理システム (SaaS BPMS) の開発・提供
設立:2008年
URL: (リンク »)
本プレスリリースに関するお問い合わせ: pr@questetra.com or 075-205-5007
このプレスリリースの付帯情報
お問い合わせにつきましては発表元企業までお願いいたします。
不具合連絡アプリのワークフロー図 
